При разговоре около окна звуковые колебания воздуха передаются стеклу. Вибрация отражающей поверхности вызывает амплитудно-апертурную модуляцию отраженного лазерного луча. Демодуляция звукового сигнала осуществляется в оптическом приемнике (ОП).
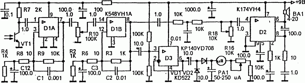
ОП построен по схеме прямого фотодетектирования. В качестве детектора используется фототранзистор VTI ФТ-2К. Коэффициент усиления DlA (D1B ) задается отношением резисторов в цепи OOCKu-R9/R8 (R3/R6). АЧХ формируют конденсаторы С1, С12 (С2, СЗ). R10 регулирует усиление. Уровень сигнала контролирует микроамперметр РА1. Усиленный звуковой сигнал подается на динамическую головку или головные телефоны ВА1.
Конструкция ОП выполняется с учетом требований к монтажу малошумящей аппаратуры. ОП помещают в металлический корпус. Используйте малошумящие типы резисторов, керамические или пленочные конденсаторы, оксидные конденсаторы с малыми токами утечки.

Настройка: Подбором R4 (R2) установить на выходе D1A выв.7 (D1В выв.8) постоянное напряжение равное половине питания. Отключить R10 от выхода D1A, отсоединить коллектор VT1. Измерить напряжение шума Uвыхш на выходе D1A (выв. 7). Напряжение шумов D1A, приведенное ко входу Uвхш= Uвыхш/Ки, не должно превышать 1 мкВ. -Подключить D1B, вывести R10 в верхнее положение; Подать на вход D1A сигнал частотой 1 кГц, напряжением 10 мкВ. Увеличить уровень входного сигнала до насыщения D1B выв. 8. Резистором R16 установить стрелку РА1 в конец шкалы. Подключить ВА1; подстройкой R18 установить уровень желаемой максимальной громкости. Подключив вместо VT1 электретный микрофон, проверить и, при необходимости, скорректировать АЧХ усилителей.
Предпочтительнее использовать полупроводниковые лазеры (с коллимирующим модулем) непрерывного излучения мощностью 1-10 мВт (ЛМ-6,7,8). Для более доступных газовых лазеров (ЛГН-207, 208) характерен сильный внутренний шум и паразитная модуляция луча по цепям питания. Попадание лазерного излучения мощностью более 1 мВт на сетчатку глаза может привести к необратимой потери зрения! Аналогичные зарубежные коммерческие устройства используют ИК лазеры мощностью 30 мВт и имеют дальность до 700 метров.
Проверить работоспособность ОП можно используя вместо стекла динамик с наклеенным в центре маленьким легким зеркальцем. Это лучшее, что можно ожидать. Для большего потребуется навык.
При работе на расстояниях свыше 10 метров, потребуется телескопическая оптика. Оптическую систему закрепляют на штативе, VT1 помещают в "фокус" смотровой трубы. Для точной настройки на отраженный луч в креплении необходимо предусмотреть подстроечные винты. Вряд ли удастся использовать диффузное отражение непосредственно от стекла (отражение увеличит наклейка на стекло кусочка зеркальной пленки, фольги или бумаги). Без лазерной подсветки фототранзистор обладает недостаточным внутренним усилением. Поэтому совмещенное расположение лазера и ОП на одном штативе не всегда удачно. Оптимальное (максимум сигнал/шум) значение R7 лежит в пределах 0.5-10 кОм. Для поиска луча лазер желательно снабдить электрическим или механическим модулятором частотой 1 кГц. При работе с лазерами ИК диапазона используйте приборы ночного видения.
Проблему представляют помещения с двойными и штормовыми окнами. В этом случае рекомендуется использовать отражение от внутренних поверхностей (зеркал, картин и. т. д.). Чтобы предотвратить насыщение фототранзистора сильным отраженным сигналом (при работе на малых расстояниях) перед ОП помещают полупрозрачный фильтр (скрещенные поляризаторы, полимерную пленку) частично или полностью перекрывающие апертуру оптической системы.

Наибольший сигнал от тонкого стекла в большом окне; возможны самые разные углы отражения. Трещины и дефекты иногда способны вызвать гигантский эффект. Избегайте близости оживленных магистралей. Ветер, дождь или кондиционер на соседнем окне превратит ваши занятия в пустую трату времени.
Применение hi-tech техники не всегда позволяет сразу получить быстрый и надежный результат. Используйте лазерный микрофон когда традиционные методы невозможны. Окно—не очень неудачный микрофон.
Внимание: не рассматривайте зеркально отраженный (от стекла) лазерный луч через оптические приборы.
ОП построен по схеме прямого фотодетектирования. В качестве детектора используется фототранзистор VTI ФТ-2К. Коэффициент усиления DlA (D1B ) задается отношением резисторов в цепи OOCKu-R9/R8 (R3/R6). АЧХ формируют конденсаторы С1, С12 (С2, СЗ). R10 регулирует усиление. Уровень сигнала контролирует микроамперметр РА1. Усиленный звуковой сигнал подается на динамическую головку или головные телефоны ВА1.
Конструкция ОП выполняется с учетом требований к монтажу малошумящей аппаратуры. ОП помещают в металлический корпус. Используйте малошумящие типы резисторов, керамические или пленочные конденсаторы, оксидные конденсаторы с малыми токами утечки.

Настройка: Подбором R4 (R2) установить на выходе D1A выв.7 (D1В выв.8) постоянное напряжение равное половине питания. Отключить R10 от выхода D1A, отсоединить коллектор VT1. Измерить напряжение шума Uвыхш на выходе D1A (выв. 7). Напряжение шумов D1A, приведенное ко входу Uвхш= Uвыхш/Ки, не должно превышать 1 мкВ. -Подключить D1B, вывести R10 в верхнее положение; Подать на вход D1A сигнал частотой 1 кГц, напряжением 10 мкВ. Увеличить уровень входного сигнала до насыщения D1B выв. 8. Резистором R16 установить стрелку РА1 в конец шкалы. Подключить ВА1; подстройкой R18 установить уровень желаемой максимальной громкости. Подключив вместо VT1 электретный микрофон, проверить и, при необходимости, скорректировать АЧХ усилителей.
Предпочтительнее использовать полупроводниковые лазеры (с коллимирующим модулем) непрерывного излучения мощностью 1-10 мВт (ЛМ-6,7,8). Для более доступных газовых лазеров (ЛГН-207, 208) характерен сильный внутренний шум и паразитная модуляция луча по цепям питания. Попадание лазерного излучения мощностью более 1 мВт на сетчатку глаза может привести к необратимой потери зрения! Аналогичные зарубежные коммерческие устройства используют ИК лазеры мощностью 30 мВт и имеют дальность до 700 метров.
Проверить работоспособность ОП можно используя вместо стекла динамик с наклеенным в центре маленьким легким зеркальцем. Это лучшее, что можно ожидать. Для большего потребуется навык.
При работе на расстояниях свыше 10 метров, потребуется телескопическая оптика. Оптическую систему закрепляют на штативе, VT1 помещают в "фокус" смотровой трубы. Для точной настройки на отраженный луч в креплении необходимо предусмотреть подстроечные винты. Вряд ли удастся использовать диффузное отражение непосредственно от стекла (отражение увеличит наклейка на стекло кусочка зеркальной пленки, фольги или бумаги). Без лазерной подсветки фототранзистор обладает недостаточным внутренним усилением. Поэтому совмещенное расположение лазера и ОП на одном штативе не всегда удачно. Оптимальное (максимум сигнал/шум) значение R7 лежит в пределах 0.5-10 кОм. Для поиска луча лазер желательно снабдить электрическим или механическим модулятором частотой 1 кГц. При работе с лазерами ИК диапазона используйте приборы ночного видения.
Проблему представляют помещения с двойными и штормовыми окнами. В этом случае рекомендуется использовать отражение от внутренних поверхностей (зеркал, картин и. т. д.). Чтобы предотвратить насыщение фототранзистора сильным отраженным сигналом (при работе на малых расстояниях) перед ОП помещают полупрозрачный фильтр (скрещенные поляризаторы, полимерную пленку) частично или полностью перекрывающие апертуру оптической системы.

Наибольший сигнал от тонкого стекла в большом окне; возможны самые разные углы отражения. Трещины и дефекты иногда способны вызвать гигантский эффект. Избегайте близости оживленных магистралей. Ветер, дождь или кондиционер на соседнем окне превратит ваши занятия в пустую трату времени.
Применение hi-tech техники не всегда позволяет сразу получить быстрый и надежный результат. Используйте лазерный микрофон когда традиционные методы невозможны. Окно—не очень неудачный микрофон.
Внимание: не рассматривайте зеркально отраженный (от стекла) лазерный луч через оптические приборы.










